Kosmodyne Netzschaltgerät X

Motto seit 1934: Vom Gebirg zum Ozean, alles hört der Radiomann

Kosmodyne Netzschaltgerät X

Ungelesener Beitragvon cmyk61 » 30. Nov 2015, 21:48

Hallo zusammen,

heute bekam ich das Kosmodyne, erworben in der Bucht.
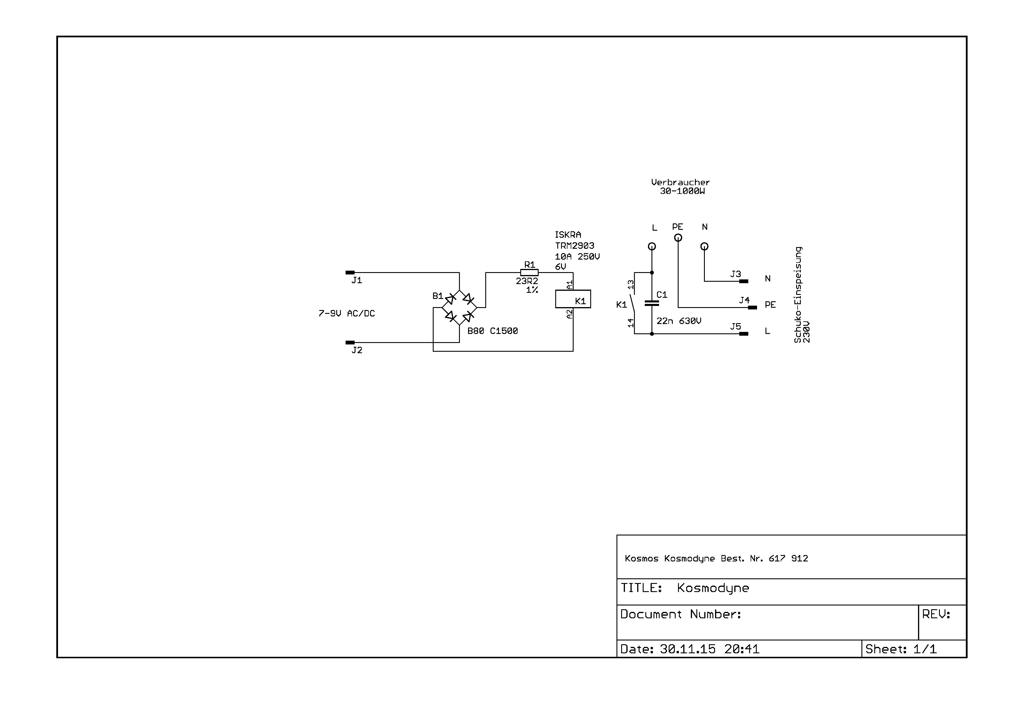
Hier nun die Bilder aus dem Inneren und der von mir erstellte Schaltplan.

Viel Spass

Ralf

Kosmodyne 001.jpg
Kosmodyne 001.jpg (36.94 KiB) 142990-mal betrachtet

Kosmodyne 002.jpg
Kosmodyne 002.jpg (34.56 KiB) 142990-mal betrachtet

Kosmodyne 003.jpg
Kosmodyne 003.jpg (21.29 KiB) 142990-mal betrachtet


Bild
Dateianhänge
Kosmodyne.jpg
(257.74 KiB) 22959-mal heruntergeladen
cmyk61
 
Beiträge: 12
Registriert: 28. Feb 2013, 00:27

Re: Kosmodyne Netzschaltgerät X

Ungelesener Beitragvon Flo143 » 27. Jan 2016, 22:54

Ich muss sagen, mich gruselt es gerade.

Unfassbar, dass in einem Kinderspielzeug, das eine unter allen Umständen ungefährliche Verbindung zwischen Lichtnetz und Experimentierkasten herstellen soll, die Bauteile einfach so fliegend verdrahtet und mit etwas Heißkleber und Klebeband fixiert sind. Ich kann kaum glauben, dass das tatsächlich original so verkauft wurde. Was ist denn, wenn $Kind das Ding fallen lässt, dadurch irgendwas abreißt oder sich bewegt und dann eine leitende Verbindung zwischen 230V und Eingang besteht?

Verwundert bin ich außerdem darüber, dass der 7-9V-Eingang direkt auf die Relaisspule geschaltet wird. Die Spule im verwendeten Relais ISKRA TRM 2903 hat laut Datenblatt eine Leistungsaufnahme von 0,6 bis 0,8 Watt, das sind übern Daumen rund 100mA Stromstärke.
Wenn man dieses Relais nun direkt anstatt einer LED, die eine Nennstromaufnahme von 20mA hat (in den Kosmos-Kästen mit großzügig dimensionierten 470R Vorwiderstand sogar eher nur ca. 15mA) anschließt, - und genau dafür ist es gedacht! - dürfte genau gar nichts passieren.
Mir bekannte Schaltungen für denselben Einsatzzweck haben am Eingang immer einen Transistor sitzen, der dann die benötigte Leistung für das Relais zur Verfügung stellt.

Ich habe noch kein Kosmos Netzschaltgerät von innen gesehen, von daher fehlt mir der Vergleich. Aber wenn ich mir deine Fotos so anschaue und mit den o. g. Überlegungen logisch kombiniere, zwängt sich mir irgendwie der Verdacht auf, dass deins eine heftig verbastelte Variante ist, bei der vermutlich nur noch das Gehäuse original ist...

Liebe Grüße,
Florian
Flo143
 
Beiträge: 15
Registriert: 21. Sep 2015, 12:35

Re: Kosmodyne Netzschaltgerät X

Ungelesener Beitragvon mjwolf » 28. Jan 2016, 20:42

Tach auch,

Flo143 hat geschrieben:Verwundert bin ich außerdem darüber, dass der 7-9V-Eingang direkt auf die Relaisspule geschaltet wird. Die Spule im verwendeten Relais ISKRA TRM 2903 hat laut Datenblatt eine Leistungsaufnahme von 0,6 bis 0,8 Watt, das sind übern Daumen rund 100mA Stromstärke.
Wenn man dieses Relais nun direkt anstatt einer LED, die eine Nennstromaufnahme von 20mA hat (in den Kosmos-Kästen mit großzügig dimensionierten 470R Vorwiderstand sogar eher nur ca. 15mA) anschließt, - und genau dafür ist es gedacht! - dürfte genau gar nichts passieren.
Mir bekannte Schaltungen für denselben Einsatzzweck haben am Eingang immer einen Transistor sitzen, der dann die benötigte Leistung für das Relais zur Verfügung stellt.


und wo bekommt der Transistor seine Vcc her - wenn das Netzschaltgerät als Ersatz für eine LED gedacht ist? 4 DC-Eingänge wird es ja nicht haben, oder? (Echte Frage!)

Flo143 hat geschrieben:Ich habe noch kein Kosmos Netzschaltgerät von innen gesehen, von daher fehlt mir der Vergleich. Aber wenn ich mir deine Fotos so anschaue und mit den o. g. Überlegungen logisch kombiniere, zwängt sich mir irgendwie der Verdacht auf, dass deins eine heftig verbastelte Variante ist, bei der vermutlich nur noch das Gehäuse original ist...


Ich habe leider nur eines von Kosmos, und das ist mir noch zu gut erhalten um es auseinanderzubauen; aber ich habe mehrere von Fischertechnik - eins davon (aus der Bucht) riecht soo geil nach Keller dass ich es eh schlachten und am liebsten stundenlang in Bref-Konzentrat oder so baden wollte :-) Mal sehen. Wenn ich irgendwann demnächst mal wieder Zeit hab nehm ich es wahrscheinlich wirklich auseinander, kann dann ein paar Bilder posten, es reinigen und notfalls vollvergossen wieder zusammenschrauben und in Betrieb nehmen...

VG
Martin
Benutzeravatar
mjwolf
 
Beiträge: 229
Registriert: 22. Okt 2015, 00:27

Re: Kosmodyne Netzschaltgerät X

Ungelesener Beitragvon hammady » 28. Jan 2016, 21:29

hi

Nach VDE Standart ist das Netzgerät ebenfalls nicht. wenn es der original Schaltplan ist dann war das Gerät lebensgefährlich.
Der Grund dafür liegt im Aufbau denn bei Schaltgeräten wie diesem, ist auf allpolige Abschaltung zu achten, damit gefährlich Berührungsspannungen ausgeschlossen sind. Hierbei aber kann es z.B. bei einer Stehlampe ( was auch dafür Angedacht war) evtl die Fassung der Glühlampe unter Spannung stehen kann, obwohl
das Relais ausgeschalten ist. Dann noch der Kondensator zur Funkenunterdrückung, der ist ebenfalls so nicht Regelkonform, da er für Wechselströme ( Spannungen ) kein
Hindernis darstellt. So wird Spannung übertragen obwohl der Schaltkontackt geöffnet ist. Wieder Lebensgefahr aus Sicht eines Fachkinesen.

LG ANDY
3xE200
1xE201
1xE203
1xNeckermann 1X150
1xGoodplay Aus 1 mach 70
hammady
 
Beiträge: 183
Registriert: 13. Jan 2013, 20:41
Wohnort: Tuntenhausen / Ostermünchen

Re: Kosmodyne Netzschaltgerät X

Ungelesener Beitragvon Flo143 » 28. Jan 2016, 22:20

mjwolf hat geschrieben:und wo bekommt der Transistor seine Vcc her - wenn das Netzschaltgerät als Ersatz für eine LED gedacht ist? 4 DC-Eingänge wird es ja nicht haben, oder? (Echte Frage!)

Natürlich eine echte Frage - ich beleidigte oben ja auch nicht dich, sondern die komische Bastelschaltung in dem Netzschaltgerät :mrgreen:

Die mir bekannten Schaltungen (wie gesagt, eins von Kosmos hatte ich noch nicht auseinander) enthalten einen kleinen Trafo mit Gleichrichter und Siebelko. Darüber kann der Transistor dann galvanisch getrennt vom Stromnetz und somit sicher seine 5....9V mit ausreichender Stromstärke erhalten, mit denen er das Relais versorgen kann. Die Schaltung, in die man das Netzschaltgerät einsteckt, wird dann quasi gar nicht belastet, weil der Transistor an diese nur über einen hochohmigen Widerstand von z. B. 10k angeschlossen wird.

Eine andere, vom Bauteileaufwand her deutlich kleinere und billigere Variante aus moderner Zeit findet sich hier ganz unten auf der Seite:
http://www.kh-gps.de/schalt2.htm

Da wird das Relais mit einer einfachst aufgebauten Schaltung aus Gleichrichterdiode, ein paar Widerständen und Z-Diode direkt aus dem Netz versorgt. Für die Trennung zwischen Eingang und Netz sorgt ein Optokoppler.

Wie oben schon geschrieben, ich wäre echt arg verwundert, wenn diese Bastelschaltung in den eigentlich sicherheitstechnisch schon recht stark regulierten 80er und 90er Jahren so ihren Weg in ein deutsches Kinderspielzeug gefunden hätte. Siehe auch hammadys Anmerkungen, denen ich voll und ganz zustimme. Unmöglich ist natürlich nichts, aber glauben kann ich es nicht.

Ich schrieb ja auch oben schon, dass das verbaute Relais an einer LED-Treiber-Schaltung gar nicht genug Strom bekommt. Würde man daher den Vorwiderstand der LED ebenfalls entfernen, könnte es tatsächlich sogar gehen - die von Kosmos in den X- und XN-Kästen verwendeten Transistoren haben genug Leistung dafür. Sinn ergibt das aber auch nicht, denn die arme 9V-Blockbatterie, insbesondere die damals oft und gerne verwendeten billigen Zink-Kohle-Typen (Aldi hatte damals soweit ich mich erinnere noch keine Batterien, und Marken-Alkalines waren damals eher noch teurer als heute) wäre in einer guten Stunde leer, wenn sie die Relaisspule mit Strom versorgen müsste.

Meine rein spekulative These ist, dass die hoffentlich deutlich bessere Original-Schaltung des Gerätes mal irgendwann ihren Geist aufgab und ein nichtmal halbwissender Papa seinem Sohnemann etwas Gutes tun wollte, indem er ihm diese üble Bastellösung da hineinfrickelte.

Jetzt würde ich mir aber wirklich wünschen, dass mal jemand anders auch ein "Netzschaltgerät X" aufschraubt und uns verrät, wie das von innen aussieht. Nicht, dass das am Ende etwa doch die serienmäßige Schaltung ist, die sich da so unschön präsentiert....... :teufel:

Ach ja, und zum Thema "Kellermief und Bref-Konzentrat": Wenn du das Gehäuse soweit auseinander kriegst, dass nichts mehr elektrisches dran ist, stell es einfach in den Geschirrspüler. Ich würde nicht gerade das dreistündige 70-Grad-Programm nehmen, aber in einem der kürzeren und etwas kälteren Programme hat das bei mir bis jetzt jedes Kunststoffteil von Lichtschalter über Radkappe bis zum Gehäuse eines alten Handfunkgerätes klaglos mitgemacht. Sieht danach eigentlich immer alles aus wie neu und duftet neutral... :D
Flo143
 
Beiträge: 15
Registriert: 21. Sep 2015, 12:35

Re: Kosmodyne Netzschaltgerät X

Ungelesener Beitragvon mjwolf » 29. Jan 2016, 13:22

Moin,

hammady hat geschrieben:Nach VDE Standart ist das Netzgerät ebenfalls nicht. wenn es der original Schaltplan ist dann war das Gerät lebensgefährlich.
Der Grund dafür liegt im Aufbau denn bei Schaltgeräten wie diesem, ist auf allpolige Abschaltung zu achten, damit gefährlich Berührungsspannungen ausgeschlossen sind. Hierbei aber kann es z.B. bei einer Stehlampe ( was auch dafür Angedacht war) evtl die Fassung der Glühlampe unter Spannung stehen kann, obwohl
das Relais ausgeschalten ist. Dann noch der Kondensator zur Funkenunterdrückung, der ist ebenfalls so nicht Regelkonform, da er für Wechselströme ( Spannungen ) kein
Hindernis darstellt. So wird Spannung übertragen obwohl der Schaltkontackt geöffnet ist. Wieder Lebensgefahr aus Sicht eines Fachkinesen.


Zustimmung! :-) Allpolig schaltende Relais sind ja eh kein (Kosten-)Problem mehr, notfalls nimmt man die Hutschinenvariante...

Dass der C für AC durchlässig ist ist auch klar; wie macht man VDE-gerecht eine Funkenunterdrückung? Gar nicht? Mit Freilaufdiode? ...?

Und: Wer sagt aber, dass das Gerät aus den 80ern stammt? Kosmodyn / Kosmodyne-Netzschaltgeräte gibt es meines Wissens doch schono seit den 60ern/70ern... wäre interessant zu wissen, wie da die Vorschriften aussahen.

VG
Martin
Benutzeravatar
mjwolf
 
Beiträge: 229
Registriert: 22. Okt 2015, 00:27

Re: Kosmodyne Netzschaltgerät X

Ungelesener Beitragvon mjwolf » 29. Jan 2016, 13:34

Juhu Flo143,

Flo143 hat geschrieben:und zum Thema "Kellermief und Bref-Konzentrat": Wenn du das Gehäuse soweit auseinander kriegst, dass nichts mehr elektrisches dran ist, stell es einfach in den Geschirrspüler. Ich würde nicht gerade das dreistündige 70-Grad-Programm nehmen, aber in einem der kürzeren und etwas kälteren Programme hat das bei mir bis jetzt jedes Kunststoffteil von Lichtschalter über Radkappe bis zum Gehäuse eines alten Handfunkgerätes klaglos mitgemacht. Sieht danach eigentlich immer alles aus wie neu und duftet neutral... :D


danke, danke danke! Noch ein Tip! Super! Bref und in der Waschmaschine im umgedrehten Kopfkissen mitwaschen hatte ich von einem Fischertechnik-Sammler... so langsam hab ich ein ganzes Arsenal an Möglichkeiten, um die ganzen "Kellerfunde" wieder wohnzimmertauglich zu machen :-) Irgendwas wird schon funktionieren... Freu mich schon drauf, bald wieder loslegen zu können.

Flo143 hat geschrieben:Die mir bekannten Schaltungen (wie gesagt, eins von Kosmos hatte ich noch nicht auseinander) enthalten einen kleinen Trafo mit Gleichrichter und Siebelko. Darüber kann der Transistor dann galvanisch getrennt vom Stromnetz und somit sicher seine 5....9V mit ausreichender Stromstärke erhalten, mit denen er das Relais versorgen kann. Die Schaltung, in die man das Netzschaltgerät einsteckt, wird dann quasi gar nicht belastet, weil der Transistor an diese nur über einen hochohmigen Widerstand von z. B. 10k angeschlossen wird.


Rein theoretisch: Die "Versorgung" des Transistors hat dann "floatendes" Potential, ja? Wer garantiert mir dann, dass es ihn nicht "durchknallt", wenn ich die Basis mit einem evtl. ganz anderen Potential ansteuere? Klar, so dicke sollten die Potenzialunterschiede innerhalb eines Kinderzimmers nicht sein, aber trotzdem... Müsste ich die Basis dann nicht über Optokoppler galvanisch auch vom speisenden Experimentierkasten trennen (so wie Du es für den Link beschrieben hast)?

Mein FT-Netzschaltgerät werde ich jetzt definitiv aufmachen, wenn ich wieder etwas mehr Zeit dafü habe.

VG
Martin
Benutzeravatar
mjwolf
 
Beiträge: 229
Registriert: 22. Okt 2015, 00:27

Re: Kosmodyne Netzschaltgerät X

Ungelesener Beitragvon JuergenK » 29. Jan 2016, 14:39

Leider habe ich kein entsprechendes KOSMOS Netzschaltgerät Typ D, wage aber zu spekulieren, dass das von cmyk61 gezeigte Modell irgendwann einmal modifiziert wurde.

Dies mag ein beendetes ebay-Angebot zum entsprechenden Gerät verdeutlichen: klick

Man erkennt an den drei Fotos, dass es sich dabei um das auch von cmyk61genannte Modell handeln muss, denn in beiden Fällen wird die identische Bestell-Nr. 617 912 genannt.

Das bei uns am Anfang des threads gezeigte Netzschaltgerät hat einen Gleichrichter, so dass es auch mit Wechselspannung geschaltet werden kann. Der KOSMOS-Beipackzettel nennt dagegen ausdrüchlich nur Gleichspannung für den Schaltbetrieb. Also ist beim Original auch _kein_ Gleichrichter erforderlich. Und dementsprechend sind die Schaltanschlüsse für die Relaisspule des Originalgerätes auch nicht gepolt, weil für die Relaisspule dann ja nicht erforderlich.

Des weiteren kann man dem Beipackzettel des ebay-Angebotes entnehmen, dass das Original-Gerät mit einem Entstörglied versehen ist (und daher 30W Mindest-Schaltleistung benötigt). Dies fehlt aber auf dem bei uns gezeigten Kosmodyne, wie es auch der von cmyk61 aufgenommene Schaltplan zeigt.

Ist also wohl ein nachträglicher Umbau... :yes:

JuergenK
...an aktiver Mitwirkung in unserem Board interessiert? Jederzeit gerne! Dann bitte hier registrieren: klick :-)
Benutzeravatar
JuergenK
Site Admin
 
Beiträge: 980
Registriert: 23. Jan 2009, 13:00
Wohnort: D-32049 Herford-Schwarzenmoor

Re: Kosmodyne Netzschaltgerät X

Ungelesener Beitragvon JuergenK » 29. Jan 2016, 17:04

Hier im Nachgang noch eine Schaltung mit dem Kosmodyne Netzschaltgerät D.

Bild

JuergenK
...an aktiver Mitwirkung in unserem Board interessiert? Jederzeit gerne! Dann bitte hier registrieren: klick :-)
Benutzeravatar
JuergenK
Site Admin
 
Beiträge: 980
Registriert: 23. Jan 2009, 13:00
Wohnort: D-32049 Herford-Schwarzenmoor

Re: Kosmodyne Netzschaltgerät X

Ungelesener Beitragvon hammady » 29. Jan 2016, 21:23

hi

Die Mindestlast von 30 Watt lässt darauf schließen dass es sich bei der internen Schaltung um eine Thyristor (TRIAC) Schaltung handelt.
Zur galvanischen Trennung wäre dann ein Optokoppler denkbar. Somit wäre das zulässig.
Zur Funkentstörung gibt es Filter bestehend aus Drosseln und Kondensatoren. Der Kondensator in der oben gezeigten "Gefährlichschaltung"
dient aber nicht der Funkentstörung, sondern er soll das sog. Kontaktfeuer löschen.

LG ANDY
3xE200
1xE201
1xE203
1xNeckermann 1X150
1xGoodplay Aus 1 mach 70
hammady
 
Beiträge: 183
Registriert: 13. Jan 2013, 20:41
Wohnort: Tuntenhausen / Ostermünchen

Re: Kosmodyne Netzschaltgerät X

Ungelesener Beitragvon Flo143 » 29. Jan 2016, 22:24

mjwolf hat geschrieben:Dass der C für AC durchlässig ist ist auch klar; wie macht man VDE-gerecht eine Funkenunterdrückung? Gar nicht? Mit Freilaufdiode? ...?

Da muss ich leider passen. Ich betreibe Elektronik nur als Hobby und habe es nicht gelernt - von daher: weiß ich nicht.

mjwolf hat geschrieben:Und: Wer sagt aber, dass das Gerät aus den 80ern stammt? Kosmodyn / Kosmodyne-Netzschaltgeräte gibt es meines Wissens doch schono seit den 60ern/70ern... wäre interessant zu wissen, wie da die Vorschriften aussahen.

Ich. Okay, das ist jetzt überheblich... :mrgreen:
Nein, wirklich. Das Gerät auf den Fotos ist die letzte Inkarnation der Kosmodyn(e)-Netzschaltgeräte, es ist definitiv das "Netzschaltgerät X", das zusammen mit der X-Serie von Elektronikkästen auf den Markt kam und in den 80ern und 90ern verkauft wurde.

mjwolf hat geschrieben:Rein theoretisch: Die "Versorgung" des Transistors hat dann "floatendes" Potential, ja? Wer garantiert mir dann, dass es ihn nicht "durchknallt", wenn ich die Basis mit einem evtl. ganz anderen Potential ansteuere? Klar, so dicke sollten die Potenzialunterschiede innerhalb eines Kinderzimmers nicht sein, aber trotzdem... Müsste ich die Basis dann nicht über Optokoppler galvanisch auch vom speisenden Experimentierkasten trennen (so wie Du es für den Link beschrieben hast)?

Puh. Undenkbar klingt das nicht, was du da schreibst. Klar, bei genügendem Potenzialunterschied, spätestens wenn jemand die Kabeltrommel von der anderen Straßenseite rüberrollt oder so... :grins:
Verkehrt ist ein Optokoppler sicher nicht. Wie das in der Praxis dann läuft, weiß ich nicht. Wenn z. B. ausdrücklich die Vorschrift bestünde, den Baukasten nur mit Batterien zu betreiben, gäbe es auch keinen Potenzialunterschied. Die mir bekannte Schaltung, von der ich im Kopf ausgehe, dient zum ansteuern eines Relais durch einen Microcontroller. Die wird (wurde) so verkauft, wie ich es beschrieben habe.
Die ELV-Variante aus meinem Link arbeitet mit Optokoppler. Das ergibt Sinn, aber das kenne ich wiederum nicht persönlich...

Vielleicht sagt uns jetzt ja doch mal endlich jemand, wie Kosmos das im Original gemacht hat. Die Indizien, dass das Gerät hier von den Fotos ein Eigenbau im Kosmos-Gehäuse ist, verdichten sich ja offenbar immer mehr.
Flo143
 
Beiträge: 15
Registriert: 21. Sep 2015, 12:35

Re: Kosmodyne Netzschaltgerät X

Ungelesener Beitragvon hammady » 30. Jan 2016, 07:18

Flo143 hat geschrieben:
mjwolf hat geschrieben:Dass der C für AC durchlässig ist ist auch klar; wie macht man VDE-gerecht eine Funkenunterdrückung? Gar nicht? Mit Freilaufdiode? ...?


Zur Funkenunterdrückung werden z.B. spezielle Löschkammern, oder auch Edelgasfüllungen eingesetzt.

zur Funkentstörung
Hier werden die möglichen Einfachentstörungen gezeigt http://images.google.de/imgres?imgurl=http%3A%2F%2Fupload.wikimedia.org%2Fwikipedia%2Fcommons%2Fthumb%2Fa%2Fa1%2FEntst%2525C3%2525B6rung_mit_X-_und_Y-Kondensator.svg%2F440px-Entst%2525C3%2525B6rung_mit_X-_und_Y-Kondensator.svg.png&imgrefurl=http%3A%2F%2Fwww.quickiwiki.com%2Fde%2FFunkentst%25C3%25B6rung&h=314&w=440&tbnid=pzWijDpkEqssdM%3A&docid=RrBXjqibPsSGYM&itg=1&ei=8UWsVsyCHIaUUa-DjpgB&tbm=isch&iact=rc&uact=3&dur=5385&page=10&start=368&ndsp=42&ved=0ahUKEwiMv_7x4tDKAhUGShQKHa-BAxM4rAIQrQMIlQIwWw

Sicher gibt es noch andere Möglichkeiten wie Netzfilter usw., aber das wäre zu viel Aufwand für "Spielzeug".

LG Andy
3xE200
1xE201
1xE203
1xNeckermann 1X150
1xGoodplay Aus 1 mach 70
hammady
 
Beiträge: 183
Registriert: 13. Jan 2013, 20:41
Wohnort: Tuntenhausen / Ostermünchen

Re: Kosmodyne Netzschaltgerät X

Ungelesener Beitragvon Toni » 30. Jan 2016, 11:44

hammady hat geschrieben:Die Mindestlast von 30 Watt lässt darauf schließen dass es sich bei der internen Schaltung um eine Thyristor (TRIAC) Schaltung handelt.
Zur galvanischen Trennung wäre dann ein Optokoppler denkbar. Somit wäre das zulässig.


Die Mindestlast ergibt sich durch den Entstörkondensator, über den
natürlich ein Blindstrom fließt. So kann es passieren, dass "kleine"
Verbraucher, z.B. ein Transistorradio einfach weiterlaufen, obwohl
das Relais geöffnet ist. TRIACs hatten die Kosmodyn(e) nie.

Auf dieses Problem würde bezüglich des Vorgängers Kosmodyn im
Handbuch des EST 20 (Kapitel 4) eingegangen und empfohlen eine
Nachtischlampe parallel zu schalten.

Wegen des einpoligen Schaltens bin ich mir nicht sicher, ob das
VDE Normen wirderspricht. Fast alle Stehlampen werden nur einpolig
geschaltet, wobei der Schalter wohl den Außenkontakt der Fassung
unterbricht. Zumindest beim Glübirnenwechsel sind aber trotzdem
immer Szenarien denkbar, bei denen man sich einen Schlag holen
kann, wenn man sich ungeschickt genug anstellt.

Wo jetzt eine besondere Gefährdung auftritt, solange man das
Kosmodyn(e) bestimmungsgemäß einsetzt - Verbraucher einstecken
und Schalten - ist mir nicht ganz klar.

Viele Grüße
Toni
Toni
 
Beiträge: 37
Registriert: 15. Jun 2013, 14:16
Wohnort: München

Re: Kosmodyne Netzschaltgerät X

Ungelesener Beitragvon mjwolf » 30. Jan 2016, 14:04

Hallo Andy,

hammady hat geschrieben:Die Mindestlast von 30 Watt lässt darauf schließen dass es sich bei der internen Schaltung um eine Thyristor (TRIAC) Schaltung handelt.


warum - das hab ich noch nicht kapiert... ein Triac bleibt leitend, bis der Haltestrom unterschritten wird. Das wird er aber (mit angenommenem ohm'schen Verbraucher) in jedem Nulldurchgang, in dem nichts mehr am Gate anliegt. [Wir reden ja immer noch darüber, wie die vermutliche Originalschaltung ausgesehen haben kann - es gibt den Kondensator also gar nicht :-)] Oder meintest Du das so, dass er überhaupt hält und nicht nach der Zündung sofort wieder dicht macht?

hammady hat geschrieben:Zur Funkentstörung gibt es Filter bestehend aus Drosseln und Kondensatoren. Der Kondensator in der oben gezeigten "Gefährlichschaltung"
dient aber nicht der Funkentstörung, sondern er soll das sog. Kontaktfeuer löschen.


Funkentstörung = Saugkreis, ja?

Kontaktfeuer löschen -- kenne ich nur aus Sicherungsautomaten; normale nicht-EX-Lichtschalter oder so haben das ja auch nicht, oder? Wenn der Kontaktabbrand in allen normalen schaltenden Teilen einfach hingenommen wird, warum sollte dann Kosmos in ihren Netzschaltgeräten das zu verringern versuchen?

Dass die Freilaufdiode natürlich Blödsinn war ist mir gestern siedendheiß eingefallen in genau dem Momant, als ich auf "Absenden" gedrückt hab :-D

Mein neuester Einfall: Wenn wir die Impedanz des Kondensators kennen, können wir doch ausrechnen, wieviel Strom bei 50Hz maximal durch ihn durchfließen kann. Und aus den BG-Tabellen wissen wir, wann es gefährlich wird. Könnte es also sein, dass der Kondensator so dimensioniert wurde, dass der Stromfluss nie in auch nur annähernd gefährliche Bereiche kommen kann? Klar müsste er damit eine relativ kleine Kapazität haben worunter seine eigentlich beabsichtigte Wirkung der Funkenlöschung auch wieder "leidet"... Bin mal gespannt auf Deinen Kommentar dazu.

VG
Martin
Benutzeravatar
mjwolf
 
Beiträge: 229
Registriert: 22. Okt 2015, 00:27

Re: Kosmodyne Netzschaltgerät X

Ungelesener Beitragvon mjwolf » 30. Jan 2016, 14:06

Hi Jürgen,

JuergenK hat geschrieben:Das bei uns am Anfang des threads gezeigte Netzschaltgerät hat einen Gleichrichter, so dass es auch mit Wechselspannung geschaltet werden kann. Der KOSMOS-Beipackzettel nennt dagegen ausdrüchlich nur Gleichspannung für den Schaltbetrieb. Also ist beim Original auch _kein_ Gleichrichter erforderlich.
(...)
Ist also wohl ein nachträglicher Umbau... :yes:


das finde ich den bisher besten Hinweis auf eine wahrscheinliche Verbastelung!

VG
Martin
Benutzeravatar
mjwolf
 
Beiträge: 229
Registriert: 22. Okt 2015, 00:27

Re: Kosmodyne Netzschaltgerät X

Ungelesener Beitragvon mjwolf » 30. Jan 2016, 14:34

Hallo Toni,

Toni hat geschrieben:Die Mindestlast ergibt sich durch den Entstörkondensator, über den
natürlich ein Blindstrom fließt. So kann es passieren, dass "kleine"
Verbraucher, z.B. ein Transistorradio einfach weiterlaufen, obwohl
das Relais geöffnet ist. TRIACs hatten die Kosmodyn(e) nie.


So kann es sogar passieren, dass kleine Verbraucher beim Einstecken sofort loslaufen, obwohl die Relaisspule nie angezogen war...

Und die Mindestlast dann deswegen, weil der (kleine) Blindstrom dafür einfach nicht genug Leistung liefern kann und es dann zumindest so aussieht also ob da abgeschaltet wurde? Boah, das wäre ja Schmuh...

Toni hat geschrieben:Auf dieses Problem würde bezüglich des Vorgängers Kosmodyn im
Handbuch des EST 20 (Kapitel 4) eingegangen und empfohlen eine
Nachtischlampe parallel zu schalten.


Guter Hinweis; muss nachher gleich mal nachlesen, was die da genau dazu erklärt haben.

Toni hat geschrieben:Wegen des einpoligen Schaltens bin ich mir nicht sicher, ob das
VDE Normen wirderspricht. Fast alle Stehlampen werden nur einpolig
geschaltet, wobei der Schalter wohl den Außenkontakt der Fassung
unterbricht. Zumindest beim Glübirnenwechsel sind aber trotzdem
immer Szenarien denkbar, bei denen man sich einen Schlag holen
kann, wenn man sich ungeschickt genug anstellt.


Stehlampen etc: Ja (wegen der 20 Cent, die ein zweipoliger Schalter mehr kostet... Klar, 500.000 Stück mal 20 Cent sind auch Geld, aber glaubt ihr nicht, dass der Verbraucher für eine sichere Lampe auch nen Euro mehr zahlen würde?). Und da dann den Außenkontakt abzuschalten macht natürlich auch Sinn.

Bei bestimmungsgemäßem Gebrauch (Kosmodyne in die Steckdose, zu schaltende Last in die Dose des Kosmodyne) ist es technisch auch egal, ob ich Phase oder Null durch das Relais schalte; die Last hat ja selbst noch einen Schalter, der entweder allpolig oder zumindest den Außenkontakt abschaltet, und dann bekommt man auch keine geknallt, wenn man die Birne wechseln muss (solange man nicht unbedingt am Innenkontakt rumfummeln zu müssen meint). Es ist ja auch nicht so gedacht, dann mit fliegender Verdrahtung irgendwas ans Lichtnetz ranzubasteln. Damit stellt das Kosmodyne eigentlich nur eine zusätzliche potentielle Fehlerquelle dar, was aber egal ist wenn man wirklich nur von einem Fehler gleichzeitig ausgeht (ob der jetzt in der Lampe oder im Kosmodyne auftritt...).

Die Frage, die bleibt, ist mMn also, ob Kinderspielzeug nicht ein wenig sicherer sein sollte als normale elektrische Geräte. Vor allem, wenn es Spielzeug für Kinder ist, die gerade anfangen, in die Welt der Elektrik und Elektronik einzutauchen... Da ist die Versuchung doch größer "wenn man jetzt schon mal ne richtige Lampe schaltet" doch auch mal einen Draht in die Steckdose zu stecken und was damit auszuprobieren (was ja sonst nicht gegeben ist, da - zumindest bei Batteriebetrieb - weit und breit kein 240V-Netz erforderlich ist).

Toni hat geschrieben:Wo jetzt eine besondere Gefährdung auftritt, solange man das
Kosmodyn(e) bestimmungsgemäß einsetzt - Verbraucher einstecken
und Schalten - ist mir nicht ganz klar.


Bis jetzt hatte das Wort "besonders" auch noch keiner verwendet... ;-) Aber Gefährdung halt doch: Einfach, weil das Ding aufgrund des Kondensators eben nicht richtig abschaltet, wenn man denkt, es sei aus.

VG
Martin
Benutzeravatar
mjwolf
 
Beiträge: 229
Registriert: 22. Okt 2015, 00:27

Re: Kosmodyne Netzschaltgerät X

Ungelesener Beitragvon hammady » 31. Jan 2016, 11:26

Hi

Danke Martin für Deine Auzsführungen die soweit meiner Meinung entsprechen.

Aber nochmal zu den Stehlampen:

Es kommt immer darauf an welche Schutzklassenausführung angewendet wird.

Bei Schutzklasse 1 ( Erkennunsmerkmal das Erdungszeichen Bild ) kann man mit einfachem Schalter abschalten da ein Fehlerstrom über den Schutzleiter abfliesen könnte.
Dabei ist jedoch anzumerken das es wohl zu Stromunfällen kommen kann da man den Stecker ja bekanntlich auch anders herum einstecken kann.
Auch ist bei allen Lampen eine Vorschrift vorhanden welche besagt dass die Phase ( der stromführende Leiter ) immer geschalten sein muss und dieser auf den FUsSKONTAKT gehen muss wegen der Berührungsgefahr. Darum sind mittlerweile auch Isolierte Fassungen am Markt damit beim Herrausdrehen der GLühbirne keine
Berührung mit Spannungsführensen teilen bestehen kann.

Bei der Zweiten möglichkeit spricht man von Schutzklkasse 2 der sogenannten Schutzisolierung ( zu erkenne an zwei Quadraten ineinander Bild )
Das Symbol sagt aus dass alles doppelt isoliert sein muss, dann reicht eine Zweiadrige Leitung und ein Einpoligerschalter.

Dann wäre noch SK3 Schutzkleinspannung Bilddie dann auch noch in Spielzeugspannung und technische Spannungen aufgeteilt ist.
So dürfen in einem Badezimmer nur konventionelle Trafos benutzt werden da sie eine galvanische Trennung aufweisen, sobald die Beleuchtung dem Nassbereich
nahe kommt ( Ich habe in der Dusche einen Strahler )

Zur allpoligen Abschaltung sei gesagt dass man den Stecker auch andersrum einstecken kann.
Bei der üblichen Hausinstallation ist die Abschaltung der Phase Vorschriftsbedingt eingehalten.

Zum Blindwiderstand des Kondensators:

Dieser beträgt 144,686kilo Ohm, somit würde bei 230Volt ein Strom von ca. 1,6mA fliesen was einer Leitung von ca. 0,366Watt entspricht.



LG ANDY
3xE200
1xE201
1xE203
1xNeckermann 1X150
1xGoodplay Aus 1 mach 70
hammady
 
Beiträge: 183
Registriert: 13. Jan 2013, 20:41
Wohnort: Tuntenhausen / Ostermünchen

Re: Kosmodyne Netzschaltgerät X

Ungelesener Beitragvon Toni » 31. Jan 2016, 13:12

Hallo Martin,

mjwolf hat geschrieben:So kann es sogar passieren, dass kleine Verbraucher beim Einstecken sofort loslaufen, obwohl die Relaisspule nie angezogen war...

Und die Mindestlast dann deswegen, weil der (kleine) Blindstrom dafür einfach nicht genug Leistung liefern kann und es dann zumindest so aussieht also ob da abgeschaltet wurde? Boah, das wäre ja Schmuh...

Ein kleines Radio würde auch spielen ohne je eingeschaltet worden zu
sein, das war mir schon klar. Vor allem weil das Radio auch unter der
Normspannung wohl noch spielt.

Durch die 15 W Lampe würde die Spannung in Serie mit dem Kondensator
auf ca. 5 V zuammenbrechen. Das ist dann wohl doch zu wenig.

mjwolf hat geschrieben:Stehlampen etc: Ja (wegen der 20 Cent, die ein zweipoliger Schalter mehr kostet... Klar, 500.000 Stück mal 20 Cent sind auch Geld, aber glaubt ihr nicht, dass der Verbraucher für eine sichere Lampe auch nen Euro mehr zahlen würde?). Und da dann den Außenkontakt abzuschalten macht natürlich auch Sinn.

Ich zweifle, dass da die Sicherheut sooo erhöht wird. Solange die
Glühbirne eingeschraubt ist, kann man das Gewinde nicht berühren,
dafür stehen die Kunststofffassungen ja etwas über. Meistens
gehen die Glühbirnen beim Einschalten kaputt. Der zweipolige
Schalter bringt nur was, wenn man den auch vor dem Wechsel
brav ausschaltet...

Wie Andy im vorigen Beitrag geschrieben hat, ist ja offensichtlich
der Innenkontakt zu schalten - mit den VDE-Vorschriften kenne
ich mich nicht aus, ich habe da nur meinen "gesunden Menschen-
verstand". Aber die millionenfach verkauften Lampen sollten ja den
Vorschriften entsprechen und da die deutschen Stecker nicht
verpolungssicher sind, darf man sowieso nicht von einer
bestimmten Konstellation ausgehen.

mjwolf hat geschrieben:Die Frage, die bleibt, ist mMn also, ob Kinderspielzeug nicht ein wenig sicherer sein sollte als normale elektrische Geräte. Vor allem, wenn es Spielzeug für Kinder ist, die gerade anfangen, in die Welt der Elektrik und Elektronik einzutauchen... Da ist die Versuchung doch größer "wenn man jetzt schon mal ne richtige Lampe schaltet" doch auch mal einen Draht in die Steckdose zu stecken und was damit auszuprobieren (was ja sonst nicht gegeben ist, da - zumindest bei Batteriebetrieb - weit und breit kein 240V-Netz erforderlich ist).

Ja, wenn das Kind aber mit Drähten in der Steckdose herumspielt,
dann darf man aber definitiv kein Netzschaltgerät in seine Hände
geben. In den Handbüchern wird üblicherweise vor Experimenten
mit Netzspannung gewarnt. Ich vermute beim Kosmodyne auch.

Beim älteren Kosmodyn ist zumindest ein kleiner Satz zu finden.
Aber das X-Labor war ja eher an größere gerichtet, Zumindest
in der ersten Kosmotronik-Generation taucht es auch nur beim
EST 20 auf, der ja auch nur für ältere gedacht war.

Viele Grüße
Toni
Toni
 
Beiträge: 37
Registriert: 15. Jun 2013, 14:16
Wohnort: München

Re: Kosmodyne Netzschaltgerät X

Ungelesener Beitragvon mjwolf » 31. Jan 2016, 13:51

Hallo Andy,

hammady hat geschrieben:Zum Blindwiderstand des Kondensators:
Dieser beträgt 144,686kilo Ohm, somit würde bei 230Volt ein Strom von ca. 1,6mA fliesen was einer Leitung von ca. 0,366Watt entspricht.


zu den Schutzklassen: Da geh ich mal mit diesem komischen Trend und sage (als Übersetzung des Anglizismus' >>i am with you<<): "Da bin ich voll bei Dir." :-)
Isolierte Schraubfassungen hab ich noch nie gesehen; sag mir doch bitte mal, nach was ich wirklich googeln muss, ich find nichts...

Jetzt aber nochmal zum eigentlichen Thema, dem Kosmodyne: Wenn ich die Kurven richtig im Kopf hab, wird es bei 240V ab 41mA gefährlich (weshalb ein FI, der ja nur den Strom und nicht die Zeit begrenzt bei circa 19mA abschaltet), d.h. hier schalten kleine Radios o.ä. vielleicht gleich ein und nie wirklich ab, aber ein Fehler/Berühren bleibt tatsächlich ungefährlich?

@Toni: Ich gehe auf jeden Fall davon aus, dass auch beim Kosmodyne immer den Hinweis in der Bedienungsanleitung vorhanden war, nicht mit Netzspannung zu experimentieren! Bei den Elektronikkästen selbst steht das meines Wissens in *jeder* Anleitung. Auch wenn es für größere Kinder gedacht war... Ich hab nur leider keine Bedienungsanleitung und keine OVP zu meinem Kosmodyne erhalten und kann es deshalb nicht sicher sagen.

VG
Martin
Benutzeravatar
mjwolf
 
Beiträge: 229
Registriert: 22. Okt 2015, 00:27

Re: Kosmodyne Netzschaltgerät X

Ungelesener Beitragvon mjwolf » 31. Jan 2016, 13:55

Nur noch ganz kurz:

Toni hat geschrieben:Wie Andy im vorigen Beitrag geschrieben hat, ist ja offensichtlich
der Innenkontakt zu schalten


Tippfehler? Es ist der Außenkontakt zu schalten. (Aber eigentlich: Es ist die Phase zu schalten.)

Grund: Ich weiss wegen der Stecker nicht, was Phase und was Null ist. Außen kann ich, wenn ich mich "normal" anstelle, beim Glühbirnenwechsel berühren, innen sollte das nicht passieren können. Wenn die Phase außen liegt, schalte ich die Phase ab und innen liegt eh nur Null, also super sicher. Wenn die Phase durch Steckerdrehen innen liegt, schalte ich zwar den Null ab und die Innenteile der Fassung sind noch "heiss", also unter Strom, aber die berühre ich ja nicht, zumindest in der Theorie...

VG
Martin
Benutzeravatar
mjwolf
 
Beiträge: 229
Registriert: 22. Okt 2015, 00:27

Re: Kosmodyne Netzschaltgerät X

Ungelesener Beitragvon Toni » 31. Jan 2016, 15:54

Hallo Martin,

hammady hat geschrieben:Auch ist bei allen Lampen eine Vorschrift vorhanden welche besagt dass die Phase ( der stromführende Leiter ) immer geschalten sein muss und dieser auf den FUsSKONTAKT gehen muss wegen der Berührungsgefahr. Darum sind mittlerweile auch Isolierte Fassungen am Markt damit beim Herrausdrehen der GLühbirne keine
Berührung mit Spannungsführensen teilen bestehen kann.

Also bei einer festen Installation ist klar:
Phase schalten und an den Fußkontakt - ich bezeichnete das als Innenkontakt.

Aus den von Dir genannten Gründen würde ich bei einer Lampe mit
Eurostecker ebenfalls den Schalter an den Außenkontakt legen.
Ich vermute mit den "isolierten Fassungen" könnte die Bauart gemeint
sein, dass bei eingedrehter Birne der Sockel nicht erreichbar ist.
Wenn der "Außenkontakt" so tief liegt, dass erst bei vollständigem
Eindrehen eine Kontaktgabe erfolgt, wäre das halbwegs sicher.

Die Diskussion bringt uns aber weg vom eigentlichen Thema.
Ich hatte jedenfalls als Kind durch meine Neugier genug
Schläge erhalten (noch OHNE FI), dass ich einen Heidenrespekt
vor der Netzspannung habe.

Viele Grüße
Toni
Toni
 
Beiträge: 37
Registriert: 15. Jun 2013, 14:16
Wohnort: München

Re: Kosmodyne Netzschaltgerät X

Ungelesener Beitragvon hammady » 31. Jan 2016, 21:08

hi

Ich verlege die Diskussion in einen anderen Bereich damit der Thread hier nicht völlig zerissen wird.

Vielleicht kann Jürgen die Relevanten Teile auch dahin kopieren

LG ANDY
3xE200
1xE201
1xE203
1xNeckermann 1X150
1xGoodplay Aus 1 mach 70
hammady
 
Beiträge: 183
Registriert: 13. Jan 2013, 20:41
Wohnort: Tuntenhausen / Ostermünchen

Re: Kosmodyne Netzschaltgerät X

Ungelesener Beitragvon JuergenK » 31. Jan 2016, 21:30

hammady hat geschrieben:Ich verlege die Diskussion in einen anderen Bereich damit der Thread hier nicht völlig zerissen wird.


Das ist schon richtig. Mal sehen, wie ich das in zwei Beiträge auseinanderdividiert bekomme...(das gilt auch hinsichtlich des aktuellen Vorschlages zu einem eigenen Bereich für Experimentier-Sicherheitsfragen).
Bei ebay habe ich übrigens vor zwei Tagen ein neues Kosmodyne gemäß dem Typ aus dem Ursprungsbeitrag erworben. Wenn es in den nächsten Tagen eintrifft, gibt es dazu bei uns weitere Informationen. :yes:

JuergenK
...an aktiver Mitwirkung in unserem Board interessiert? Jederzeit gerne! Dann bitte hier registrieren: klick :-)
Benutzeravatar
JuergenK
Site Admin
 
Beiträge: 980
Registriert: 23. Jan 2009, 13:00
Wohnort: D-32049 Herford-Schwarzenmoor

Re: Kosmodyne Netzschaltgerät X

Ungelesener Beitragvon mjwolf » 1. Feb 2016, 13:58

JuergenK hat geschrieben:Mal sehen, wie ich das in zwei Beiträge auseinanderdividiert bekomme...
(das gilt auch hinsichtlich des aktuellen Vorschlages zu einem eigenen Bereich für Experimentier-Sicherheitsfragen).


Moin,

gerade zu letztem Punkt ist mir das gestern aufgefallen: *Wenn* wir ein Forum "Sicherheitstechnische Fragestellungen" (oder so) aufmachen, *dann* sind die einzelnen Beiträge, die bisher unter dem Vorschlag stehen, ja nur ein Thread "isolierte Lampenfassungen"...

Die Beiträge hier würde ich einfach lassen und dort einen "Verlinkungs-Thread" aufmachen; dürfte der einfachste Weg sein.

VG
Martin
Benutzeravatar
mjwolf
 
Beiträge: 229
Registriert: 22. Okt 2015, 00:27

wohl doch nicht verbastelt...

Ungelesener Beitragvon mjwolf » 5. Feb 2016, 00:13

Schaut Euch doch mal bitte in folgender ebay-Auktion (nicht von mir!!!):

http://www.ebay.de/itm/KOSMOS-Kosmodyn-Netzsteuergrat-12-0020-5-seltenes-Sammlerstuck-originalverpackt-/391378642326?hash=item5b1ffc2596:g:zEUAAOSwGotWs5Hn&autorefresh=true

das dritte Bild an:

http://i.ebayimg.com/t/KOSMOS-Kosmodyn-Netzsteuergraet-12-0020-5-seltenes-Sammlerstueck-originalverpackt-/00/s/NzY4WDEwMjQ=/z/jOoAAOSwL7VWs5H5/$_57.JPG

War im Original wohl wirklich so mit dem Kondensator, ich fasse es nicht... :-(
[Der Gleichrichter ist hingegen wohl doch dazugebastelt.]

VG
Martin
Benutzeravatar
mjwolf
 
Beiträge: 229
Registriert: 22. Okt 2015, 00:27

Re: Kosmodyne Netzschaltgerät X

Ungelesener Beitragvon Georg » 6. Feb 2016, 00:08

Hallo Martin,
dies Schaltbild findet man auch gleich zwei mal in diesem Thread:

viewtopic.php?f=2&t=1464

Und was hast du gegen den Kondensator?
Für die Anwendung mit Tonbandgeräten (auch in obigem Thread)
war das ein Muß.
Gruß
Georg
Georg
 
Beiträge: 1355
Registriert: 4. Apr 2012, 14:02


Zurück zu RADIO- UND ELEKTRONIKKÄSTEN

Wer ist online?

Mitglieder in diesem Forum: 0 Mitglieder und 68 Gäste